Комплект радиореле для дистанционного управления замком воротами шлагбаумом
Уточните наличие товара, товар может внезапно закончиться.
Стараемся ставить корректную цену на сайте, но в связи со скачками курса и изменениями цен у поставщиков, уточните стоимость.
- Описание
- Условия доставки
- Оплата
- Гарантии
- Отзывы
-
КОМПЛЕКТ РАДИОРЕЛЕ RR-102 (2 независимых канала реле) + 2 пульта.
Комплект радиореле RR-102 предназначен для управления различными электроустройствами с пульта:
Электрическими воротами
Шлагбаумом
Раздвижными дверями
Электрозамками
Калитками
Электрическими шторами
Лампочками или любыми электроустройствами
Дальность приема - До 150м - дальность по прямой видимости при вытянутой антенне на пульте
Рабочая частота - 433,92 МГц
Поддерживаемая кодировка датчиков или пультов: PT2262, EV1527 (фиксированный код)
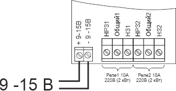
Количество каналов приемника (Реле) - 2
2 канала. 2 Силовых реле нагрузка до ~220В х 10А
Тип выхода канала - Реле
Реле с перекидными контактами
MAX Нагрузка, коммутируемая реле
Силовое реле 10А
(~220В переменный ток, до 2,2 кВт)
Количество датчиков(пультов) на канал - 96 х 2 канала - Максимальное количество датчиков(пультов), можно записать на канал. Количество режимов работы каждого канала - 6
Режимы: «Переключатель», «1 секунда», «3 секунды», «60 секунд», «2 кнопки», Режим «Удерживание»
Напряжение питания приемника: +12 В
Питание комбинированное (+12В, и от сети ~220 В) подается на клеммные колодки приемника
Потребление приемник: 20 мА, Базовый блок
Температура эксплуатации: -30°С +55°С
Рабочий температурный диапазон (°С) - может работать в неотапливаемых помещениях:
Влажность: 5% ... 85%
Без конденсации влаги: Габаритные размеры (мм): 67х62х30
Размеры базового блока: Масса (кг) - 0,60 -
Курьерская доставка
Вы можете заказать доставку товара с помощью курьера, который прибудет по указанному адресу в будние дни. Курьерская служба, после оформления сделки, свяжется с вами и предложит выбрать удобное время доставки. Уточнит адрес.
Доставка транспортными компаниямиПосле совершения сделки, вы можете заказать доставку товара Транспортными компаниями. В основном мы работаем с ТК Энергия, ТК Баграм-сервис, СДЭК и далее согласно вашим предпочтениям.
Так же вы можете самостоятельно забрать товар с нашего магазина. Но так как у нас несколько складов в городе, желательно заранее позвонить уточнить, имеется нужный вам товар на складе- магазине. -
Вы можете выбрать один из трёх вариантов оплаты:
Оплата наличными
Оплатить наличными за товар на нашей торговой точке.
Оплата по терминалу в магазине
Вы можете оплатить банковской картой за товар в нашем магазине
Безналичный расчёт онлайн или перевод на карту
При оформлении заказа в корзине вы можете выбрать вариант безналичной оплаты. Мы принимаем карты Visa и Master Card. Вы можете оплатить товар на сайте через Яндекс Кассу
Вы так же можете воспользоваться возможностью перевести на карту Сбербанка, где бы вы не находились. После оформления сделки, наш менеджер назовет вам номер.
Безналичный расчет для юр лиц с НДС
С нами сотрудничает огромная клиентская база, которая делает закупки по безналу с НДС. Клиенты практически во всех городах Росии. После договоренности с менеджером, мы выставим вам счет за необходимый вам товар с НДС, который уже включен с стоимость товара на сайте.
-
Если Вы обнаружили брак, товар не подошел или не понравился, можно обменять или вернуть покупку в течение 14 дней с момента доставки. Возврат товара возможен только при соблюдении следующих условий:
- Сохранен первоначальный внешний вид товара. Товар не должен был быть в употреблении.
- Предоставлены документы, подтверждающие факт приобретения товара.
Условия возврата технически сложных товаров
При возврате технически сложного товара ненадлежащего качества (перечень таких товаров утвержден Постановлением Правительства РФ от 10.11.2011 № 924 «Об утверждении перечня технически сложных товаров») Покупатель имеет право потребовать:- замены на товар аналогичной марки (модели, артикула) или на такой же товар другой марки (модели, артикула) с соответствующим перерасчетом покупной цены;
- отказаться от исполнения договора и потребовать возврата уплаченной за товар суммы.
Все вышеперечисленные требования по возврату товара ненадлежащего качества могут быть предъявлены в следующие сроки:
- На товар установлен гарантийный срок — в течение всего гарантийного срока;
Интернет-магазин вправе отказать в обмене или возврате товара, если сочтет, что обнаруженный существенный недостаток является следствием неправильной эксплуатации товара.
В случае возникновения разногласий по качеству или причинам возникновения недостатков, Интернет-магазин вправе провести независимую экспертизу за свой счет. Покупатель может участвовать в экспертизе и оспорить ее решение в суде. Если в результате экспертизы установлено, что недостатки товара возникли по вине Покупателя, то Покупатель обязан возместить Интернет-магазину стоимость экспертизы, а также связанные с ее проведением расходы на транспортировку и хранение товара.
Порядок возврата
Чтобы вернуть товар вам необходимо позвонить нашему менеджеру по указанным телефонам в шапке, или же явится в магазин или же написать нашему специалисту отдела гарантийного обслуживания на почтовый ящик: signal.magazin@mail.ru. При необходимости, для подтверждения брака прикрепите фото и/или видео неисправного товара к письму.
Возврат денежных средств (при условии соблюдения покупателем требований закона о возврате товара) будет осуществлен не позднее 10 дней с момента получения магазином соответствующего требования.
Порядок возврата:
- клиент отправляет или отвозит товар продавцу;
- продавец получает товар;
- продавец возвращает денежные средства.
Если товар был оплачен банковской картой — возврат средств за товары, оплаченные банковской картой, производится только на карту клиента, оплатившего товар.
Если товар был оплачен наличными (доставлен курьером) или в розничном магазине — деньги могут быть выплачены клиенту как наличными, так и банковским переводом.




























































































































